Будьте всегда в курсе!
Узнавайте о скидках и акциях первым
Новости
Все новости
25 апреля 2026
Режим работы в майские праздники 2026
3 апреля 2026
Изменение графика работы отделов
4 марта 2026
График работы 8 марта 2026
Термостат капиллярный регулируемый 10-70C WKC-70S2 L-1000 мм № 00000010541
Артикул:
00000010541
Термостат капиллярный регулируемый 10-70C WKC-70S2 L-1000 мм
Подробнее
1 460 руб./шт.
Достаточно
-
+
Рассчитать доставку
Цена действительна только для интернет-магазина и может отличаться от цен в розничных магазинах
- Описание
- Характеристики
- Отзывы
- Наличие
-
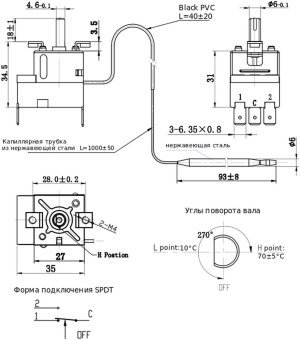
ОписаниеТермостат капиллярный регулируемый 10-70°C WKC-70S2 L-1000 мм (00000010541).
Однополюсный терморегулятор WKC-70S2 применяется для промышленных и бытовых духовок, мармитов, водонагревателей, посудомоечных, стиральных и сушильных машин. Термостат состоит из регулирующего блока, датчика в виде металлической капсулы (колбы) и капилляра, который соединяет датчик (колбу) с регулирующим блоком термоограничителя.
Характеристики:
• Маркировка на корпусе: WKC-70S2 16А 250VАС;
• Число фаз: 1Ф;
• Типы переключателя: SPDT (Один полюс, два направления. Это означает, что есть один общий контакт (полюс), который может быть подключен к одному из двух других контактов);
• Тип контактов: NO/NС (Соединяйте контакты COM и NO, если вам надо, чтобы они замыкались, когда подаётся напряжение на реле. Соединяйте контакты COM и NC, если надо, чтобы они были замкнуты, когда реле обесточено, размыкались при подаче напряжения.)
• Рабочий диапазон: от 10°С до +70°С;
• Температура в позиции: 1 (10°C), 2 (70±5°C);
• Гистерезис: 5±3°C;
• Ско -
Характеристики
Ампер (A ) 16А Бренды: Нет бренда Вес с упаковкой (в г.) 200 Вес с упаковкой (в КГ.) 0.2 ШтрихКод 2000000086798 Производитель Универсальные Длина упаковки в Сантиметрах (СМ.) 14 Высота (в см. ) 6.3 Гистерезис 5±3°C Наименование 60зн. Термостат капиллярный регулируемый 10-70C WKC70S2 L-1000 мм Подробное описание: Термостат капиллярный регулируемый 10-70°C WKC-70S2 L-1000 мм (00000010541). Однополюсный терморегулятор WKC-70S2 применяется для промышленных и бытовых духовок, мармитов, водонагревателей, посудомоечных, стиральных и сушильных машин. Термостат состоит из регулирующего блока, датчика в виде металлической капсулы (колбы) и капилляра, который соединяет датчик (колбу) с регулирующим блоком термоограничителя. Характеристики: • Маркировка на корпусе: WKC-70S2 16А 250VАС; • Число фаз: 1Ф; • Типы переключателя: SPDT (Один полюс, два направления. Это означает, что есть один общий контакт (полюс), который может быть подключен к одному из двух других контактов); • Тип контактов: NO/NС (Соединяйте контакты COM и NO, если вам надо, чтобы они замыкались, когда подаётся напряжение на реле. Соединяйте контакты COM и NC, если надо, чтобы они были замкнуты, когда реле обесточено, размыкались при подаче напряжения.) • Рабочий диапазон: от 10°С до +70°С; • Температура в позиции: 1 (10°C), 2 (70±5°C); • Гистерезис: 5±3°C; • Ско Высота упаковки (в мм.) 30 Цвет: Серебристый Ширина упаковки в Сантиметрах (СМ.) 8 Длина капилярной трубки (мм) 1000 Длина (в см. ) 4 Длина упаковки (в мм.) 140 Нормально замкнут Да Запчасть : Терморегулятор / термостат Нормально разомкнут Да КС Купить капиллярный термостат WKC-70S2; термостат WKC-70S2 купить; капиллярное реле температуры WKC-70S2; капиллярный датчик температуры WKC-70S2; температурный контроллер WKC-70S2; термоконтроллер WKC-70S2; Термореле WKC-70S2; тепловой регулятор WKC-70S2; датчик температуры WKC-70S2 Рабочая среда -/- Материал: Металл + керамика Температура до ( *С ) + 70 Температура от ( *С ) + 10 Страна-изготовитель: Китай Применяется в: Универсальные запчасти Ток (Вольт: В / V) 220 - 240 Частота тока (Гц / f ) 50 Hz / 60 Hz Ширина (в см. ) 2.8 Ширина упаковки (в мм.) 80 ОтзывыНаличие2/1 (Магазин Пушкина 49) (656043 ,РОССИЯ ,Алтайский ,Барнаул ,Пушкина ,49 ,) тел: +79039476307график работы: Понедельник - Пятница: с 9-00 до 18-00. Суббота - Воскресенье: с 10-00 до 17-00. без обеда, без выходныхМало3 (Малахова 164) (РОССИЯ ,) тел: +79646032562график работы: Понедельник - Пятница: с 10-00 до 19-00. Суббота: с 10-00 до 18-00. Воскресенье: с 10-00 до 17-00. без обеда, без выходных.Нет в наличии5 Попова 64(ТЦ Раздолье) (656062 ,РОССИЯ ,Барнаул ,Попова ,64 ,) тел: +79132101541график работы: Понедельник - Пятница: с 10-00 до 19-00. Суббота - Воскресенье: с 10-00 до 17-00. без обеда, без выходных.Мало6 (Бийск основной) (РОССИЯ ,) тел: +79635096161график работы: Понедельник - Суббота: с 9-00 до 18-00. Воскресенье: 10-00 до 17-00. без обеда, без выходныхДостаточно8/1 ТЦ КВАДРО Новоалтайск (Магазин) (658080 ,РОССИЯ ,Алтайский ,Новоалтайск ,8 микрорайон ,29 ,) тел: +7-963-573-78-83график работы: Понедельник - Пятница 10:00-19:00, выходные 10:00-17:00Нет в наличии8/2ТЦ КВАДРО Новоалтайск (Склад) (658080 ,РОССИЯ ,Алтайский ,Новоалтайск ,8 микрорайон ,29 ,) тел: +7-963-573-78-83график работы: Понедельник - Пятница 10:00-19:00, выходные 10:00-17:00Нет в наличииСклад Северный Власихинский 6(Основной) (РОССИЯ ,) тел: +79039476307график работы: Время работы ИНТЕРНЕТ-МАГАЗИНА Понедельник - Пятница: с 9-00 до 18-00. Суббота - Воскресенье: выходной. Без обеда.Нет в наличии









