Будьте всегда в курсе!
Узнавайте о скидках и акциях первым
Новости
Все новости
3 апреля 2026
Изменение графика работы отделов
4 марта 2026
График работы 8 марта 2026
20 февраля 2026
Режим работы 23 февраля 2026
Термостат биметаллический KSD301-70C NC 10A/250V подвижный фланец № 00000010250
Артикул:
00000010250
Термостат биметаллический KSD301-70C NC 10A/250V подвижный фланец
Подробнее
160 руб./шт.
Много
-
+
Рассчитать доставку
Цена действительна только для интернет-магазина и может отличаться от цен в розничных магазинах
- Описание
- Характеристики
- Отзывы
- Наличие
-
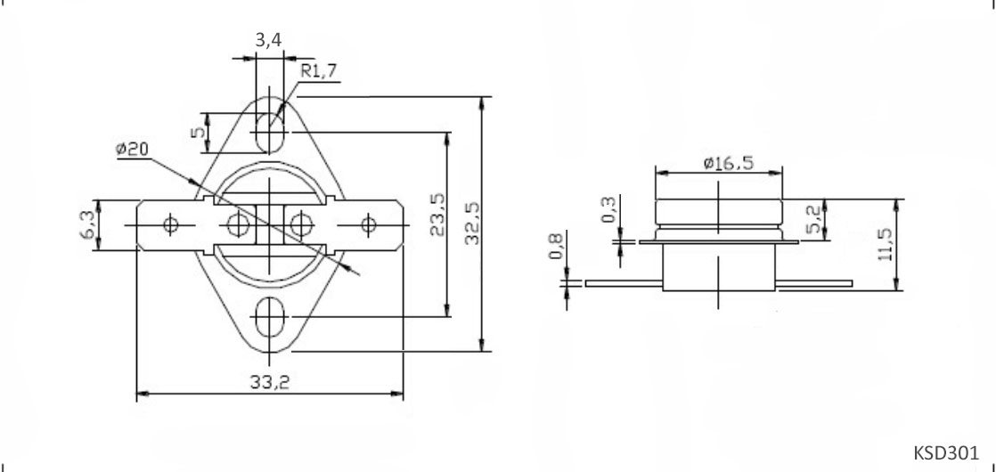
ОписаниеТермостат биметаллический KSD301-70C NC 10A/250V подвижный фланец (00000010250).
Термостат биметаллический KSD301-70C NC (нормально замкнутый) 10A 250V представляет собой контакт, который при нагреве свыше температуры 70°C размыкает электрическую цепь. Датчик KSD-301 также называют термореле, термопредохранителем, термовыключателем, термопрерывателем, термоотсекателем, термодатчиком.
Технические характеристики:
• Серия термостата: KSD301 биметаллический термостат;
• Температура срабатывания: 70°C;
• Температура сброса: 55°C;
• Тип контактов: NC – нормально замкнутые;
• Номинальный ток: 10 А;
• Номинальное напряжение: 250 В;
• Допустимое отклонение температуры срабатывания: ±5%;
• Тип восстановления: автоматический;
• Сопротивление контактов, не более: 50 мОм;
• Сопротивление изоляции, не менее: 100 МОм при 500 VDC;
• Диэлектрическая прочность, не менее: 1200 VAC (1 мин.), 1800 VAC (1 с);
• Интервал рабочих температур: от -25 до +300°C;
• Габаритные размеры ДхВхШ: 34х12х32 мм;
• Диаметр корпуса: Ø16 мм;
• Фла -
Характеристики
Ампер (A ) 10А # хештеги #биметаллический_термостат #термостат_KSD301 #термовыключатель #защита_от_перегрева #термостат_подвижный_фланец #аварийное_отключение Бренды: Нет бренда Вес с упаковкой (в г.) 100 Вес с упаковкой (в КГ.) 0.1 ШтрихКод 2000000099316 Производитель Универсальные Длина упаковки в Сантиметрах (СМ.) 15 Высота (в см. ) 1.5 Наименование 60зн. Термостат KSD301‑70C NC 10A/250V с подвижным фланцем Подробное описание: Термостат биметаллический KSD301-70C NC 10A/250V подвижный фланец (00000010250). Термостат биметаллический KSD301-70C NC (нормально замкнутый) 10A 250V представляет собой контакт, который при нагреве свыше температуры 70°C размыкает электрическую цепь. Датчик KSD-301 также называют термореле, термопредохранителем, термовыключателем, термопрерывателем, термоотсекателем, термодатчиком. Технические характеристики: • Серия термостата: KSD301 биметаллический термостат; • Температура срабатывания: 70°C; • Температура сброса: 55°C; • Тип контактов: NC – нормально замкнутые; • Номинальный ток: 10 А; • Номинальное напряжение: 250 В; • Допустимое отклонение температуры срабатывания: ±5%; • Тип восстановления: автоматический; • Сопротивление контактов, не более: 50 мОм; • Сопротивление изоляции, не менее: 100 МОм при 500 VDC; • Диэлектрическая прочность, не менее: 1200 VAC (1 мин.), 1800 VAC (1 с); • Интервал рабочих температур: от -25 до +300°C; • Габаритные размеры ДхВхШ: 34х12х32 мм; • Диаметр корпуса: Ø16 мм; • Фла Высота упаковки (в мм.) 40 Ширина упаковки в Сантиметрах (СМ.) 10 Длина (в см. ) 3.5 Длина упаковки (в мм.) 150 Нормально замкнут Да Запчасть : Терморегулятор / термостат Нормально разомкнут Нет КС термостат KSD301 70°C купить; биметаллический термостат 70 градусов; термореле KSD301 NC 10A; термостат с подвижным фланцем 250V; термовыключатель 70°C 10A; термостат-предохранитель 70°C 10A KSD301; термостат KSD301 70°C 10A NC; KSD301; KSD301 250V; термостат KSD301; KSD301 10A; KSD301 250V 10A; термостат KSD301 250V; термостат KSD301 250V 10A; KSD301 нормально замкнутый; биметаллический термостат KSD301; термостат KSD301 NC Рабочая среда Воздух Материал: Пластик + металл+резина Принудительное включение Нет Температура до ( *С ) + 70 Страна-изготовитель: Китай Тип KSD301 (T24A) Применяется в: Универсальные запчасти Ток (Вольт: В / V) 220-250 Частота тока (Гц / f ) 50 Hz / 60 Hz Ширина (в см. ) 2 Ширина упаковки (в мм.) 100 ОтзывыНаличие2/1 (Магазин Пушкина 49) (656043 ,РОССИЯ ,Алтайский ,Барнаул ,Пушкина ,49 ,) тел: +79039476307график работы: Понедельник - Пятница: с 9-00 до 18-00. Суббота - Воскресенье: с 10-00 до 17-00. без обеда, без выходныхНет в наличии3 (Малахова 164) (РОССИЯ ,) тел: +79646032562график работы: Понедельник - Пятница: с 10-00 до 19-00. Суббота: с 10-00 до 18-00. Воскресенье: с 10-00 до 17-00. без обеда, без выходных.Достаточно5 Попова 64(ТЦ Раздолье) (656062 ,РОССИЯ ,Барнаул ,Попова ,64 ,) тел: +79132101541график работы: Понедельник - Пятница: с 10-00 до 19-00. Суббота - Воскресенье: с 10-00 до 17-00. без обеда, без выходных.Достаточно6 (Бийск основной) (РОССИЯ ,) тел: +79635096161график работы: Понедельник - Суббота: с 9-00 до 18-00. Воскресенье: 10-00 до 17-00. без обеда, без выходныхНет в наличии8/1 ТЦ КВАДРО Новоалтайск (Магазин) (658080 ,РОССИЯ ,Алтайский ,Новоалтайск ,8 микрорайон ,29 ,) тел: +7-963-573-78-83график работы: Понедельник - Пятница 10:00-19:00, выходные 10:00-17:00Нет в наличии8/2ТЦ КВАДРО Новоалтайск (Склад) (658080 ,РОССИЯ ,Алтайский ,Новоалтайск ,8 микрорайон ,29 ,) тел: +7-963-573-78-83график работы: Понедельник - Пятница 10:00-19:00, выходные 10:00-17:00ДостаточноСклад Северный Власихинский 6(Основной) (РОССИЯ ,) тел: +79039476307график работы: Время работы ИНТЕРНЕТ-МАГАЗИНА Понедельник - Пятница: с 9-00 до 18-00. Суббота - Воскресенье: выходной. Без обеда.Достаточно





